Sê -ri KZ8 Động cơ servo mô -men xoắn cao
Thiết kế và mô phỏng mạch từ hàng đầu trong ngành
Đạt được mật độ mô -men xoắn cao, mô -men xoắn rất thấp và khả năng quá tải cao. Cấu trúc nhỏ gọn phù hợp cho tất cả các loại dịp yêu cầu kích thước cài đặt cao.
Đặc điểm lớn nhất của sê-ri KZ8 là mặt bích có thể tương thích với các sản phẩm của Nhật Bản và có thể được sử dụng như một sự thay thế chất lượng cao cho động cơ Nhật Bản. Với tốc độ và phạm vi công suất rộng, động cơ servo này là lựa chọn đầu tiên cho các ứng dụng điều khiển chuyển động công nghiệp.
Đặc trưng:
Hiệu suất cao, mô -men xoắn cao và tốc độ cao
◗ đa năng, nhỏ gọn và chắc chắn
Có thể kết hợp với các ổ đĩa servo đa chức năng nâng cao
◗ Cung cấp công suất cao và điều khiển chuyển động chính xác
Thông số động cơ servo:

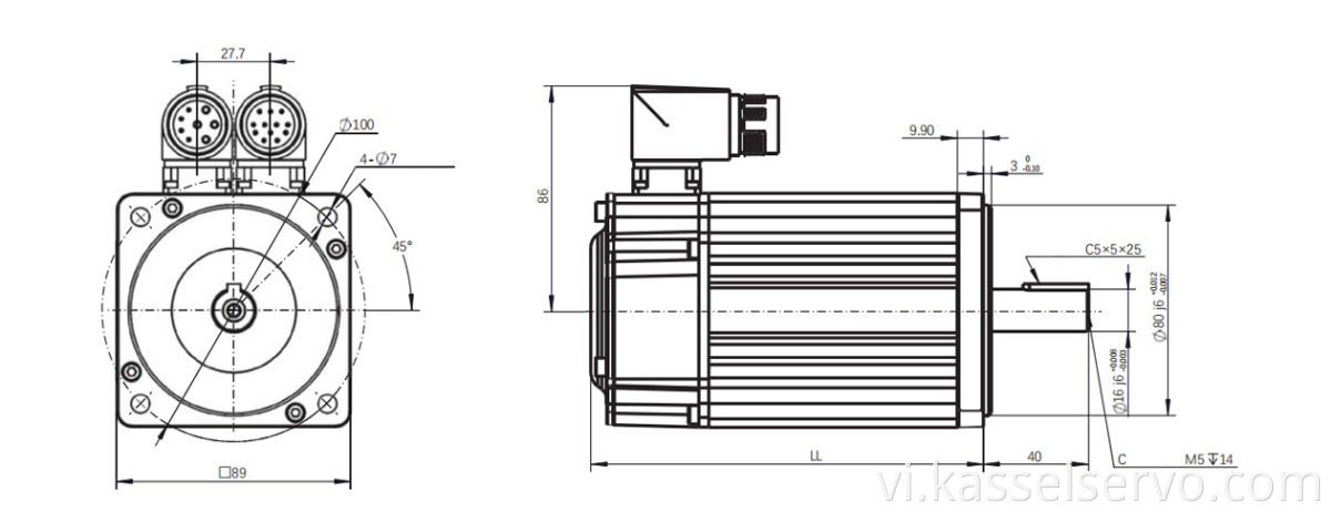
Bản vẽ kỹ thuật:
