Sê -ri KZ8 Động cơ servo mô -men xoắn cao
Việc lựa chọn các con dấu trục có thể làm cho mức độ bảo vệ của động cơ servo mô -men xoắn cao đạt IP66 - hoàn toàn chống bụi và phun nước mạnh.
Việc áp dụng dây men được nhập khẩu hiệu suất cao, kết hợp với quy trình hàn độc đáo, cuộn hoa hồng thật được sản xuất mà không cần hàn để đảm bảo độ tin cậy của việc sử dụng lâu dài.
Đặc điểm lớn nhất của sê-ri KZ8 là mặt bích có thể tương thích với các sản phẩm của Nhật Bản và có thể được sử dụng như một sự thay thế chất lượng cao cho động cơ Nhật Bản. Với tốc độ và phạm vi công suất rộng, động cơ servo này là lựa chọn đầu tiên cho các ứng dụng điều khiển chuyển động công nghiệp.
Đặc trưng:
Hiệu suất cao, mô -men xoắn cao và tốc độ cao
◗ đa năng, nhỏ gọn và chắc chắn
Có thể kết hợp với các ổ đĩa servo đa chức năng nâng cao
◗ Cung cấp công suất cao và điều khiển chuyển động chính xác
Thông số động cơ servo:

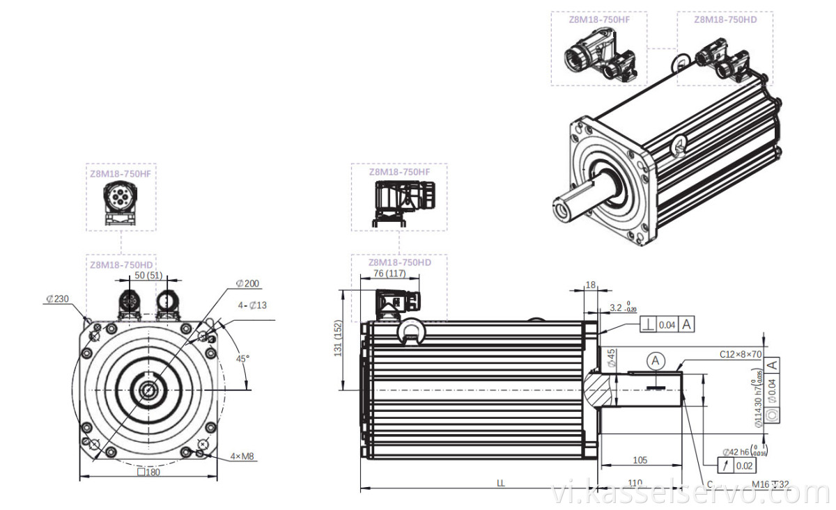
Bản vẽ kỹ thuật:
